Distance Measuring Transducer Sensor
Model Number:KS-1640
Place of Origin:Guangdong, China
Brand Name:COSSON
Usage:Position Sensor
Theory:Ultrasonic Sensor
Place of Origin:Guangdong, China
Brand Name:COSSON
Usage:Position Sensor
Theory:Ultrasonic Sensor
Send Inquiry
Product Introduction


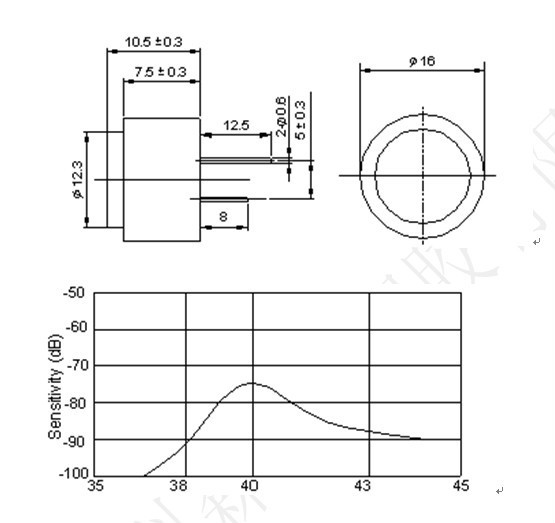
Dimention

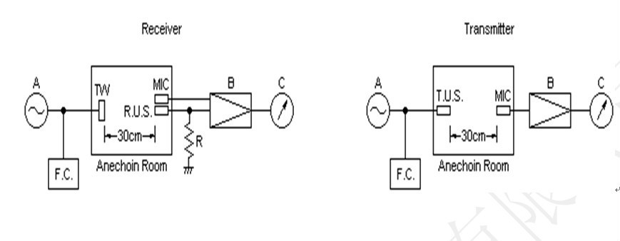
Test circuit drawing

Other related ultrasonic sensor




Packaging &shipping
Small inner box and outside Carton box(400pcs/inner box,4 inner box/carton box)
custom packaging is also available





Contact me
Thanks for choosing us,please feel free contact below,welcome to visit our factory
ATT: Lucy Xiao
QQ: 1463445431
Tel:86-769-81885857
Hot Tags: distance measuring transducer sensor, China distance measuring transducer sensor manufacturers, factory, Ultrasonic Transmitter Receiver Sensor, 1mhz Water Velocity Meter Sensor, Ultrasonic Temperature Meter Transducer, Dog Repeller Ultrasonic Transducer, Flow Meter Transducer for Water Tube, Ultrasonic Flow Sensor
You Might Also Like
Send Inquiry















